Home Bauteile Bilder Kontakt Impressum
 

RVV-EQ Stereo

RVV-EQ

Der Bau dieses Röhren-EQ war technisch nicht ganz einfach. Im Chassis ist nicht der Platz für viele Leiterplatten, für die benötigten Komponenten musste platzsparend gebaut sowie geplant werden. Das EQ Modul in Stereo Ausführung ist auf doppelt kaschierten Leiterplatten Material aufgebaut und übereinander verschachtelt. Wo der V 660 seine Vorstufen und Klangreglung hatte, sitzt jetzt die Stereo EQ Schaltung mit all ihren Komponenten. Es ging beim Entwerfen der Leiterplatten sehr eng zu, aber zum Schluss war der Platz gerade so vergeben und es passte alles zusammen. Ich habe mich für die originale amerikanische Schaltung entschieden. Einen 7 Band Röhren-EQ mit Höhen und Bass Boost sowie Lautstärkeregler ausgangsseitig. Dieser Vorverstärker in RIAA -Schaltung ist originalgetreu nachgebaut und ist etwas verbessert. Die Heizspannung 6.3 Volt ist eine Wechselstromheizung und wird klassisch auch so betrieben, eine Gleichstromheizung ist nicht notwendig und nimmt nur unnötigen Platz weg. Die Probleme die eine Wechselstromheizung verursacht, können mit wenigen Eingriffen beseitigt werden. Der 7 Band EQ mit den regelbaren Frequenzen: 80 Hz, 160 Hz, 320 Hz, 640 Hz, 1,2 KHz, 2,5 KHz und 5,0 KHz Diese Frequenzen können Lautstärkemäßig mit einem Potì getrennt geregelt werden. Interessant sind Treble und Bass Boost, durch diese Regler werden oberhalb 5 KHz die Höhen deutlich angehoben, sowie auch der Bass, dabei kommen die Bässe und Höhen noch deutlicher hervor. Messtechnisch kommt der Bass unter 80 Hz (30 Hz) und die Höhen an 30 KHz ran, was mit dem Oszì Verstärkungsmäßig messbar ist. Messtechnisch macht dieser Röhren - EQ sehr gute Noten und das hört man deutlich heraus! Allerdings müssen alle Schaltungsrelevanten Verstärkerstufen sehr gut Geschirmt sein! Es kann sein und passiert auch das einige Stufen anfangen zu `Schwingen`. Beim mechanischen Aufbau muss auf gute Schirmung geachtet werden! Aluminium Blech reicht nicht aus, Stahlblech (mind. 0.5 mm ) und einzeln in Kupferfolie eingepackte Kondensatoren und Baustufen, ( auf Masse gelegt ) verhindern dieses Problem. Alle Koppelkondensatoren müssen unbedingt eine Spannungsfestigkeit von 630 Volt haben (sehr wichtig)! Auch sog. Erdschleifen müssen vermieden werden, alle Massen auf einen Punkt legen! Ein "zerlegen" aller Baustufen ist problemlos möglich. Steckverbindung lösen, ausbauen und auf den Reparaturtisch, nichts `zugebaut` !

RVV-EQ

Röhrenbestückung:
10 x 6P1N (ECC 85, ECC 88, 7025/ 12AX7 A) RIAA Vorstufe
1 x ECC 85 Vorstufe Displayansteuerung
1 x Jan 5751 Anpassung/Pegel Eingang
1 x Jan 6189 Ansteuerung EL 34
2 x EL 34 (6L6 GCSTR ) od. ähnliche Endstufen-Röhren)
1 x Audio Analysator K8098

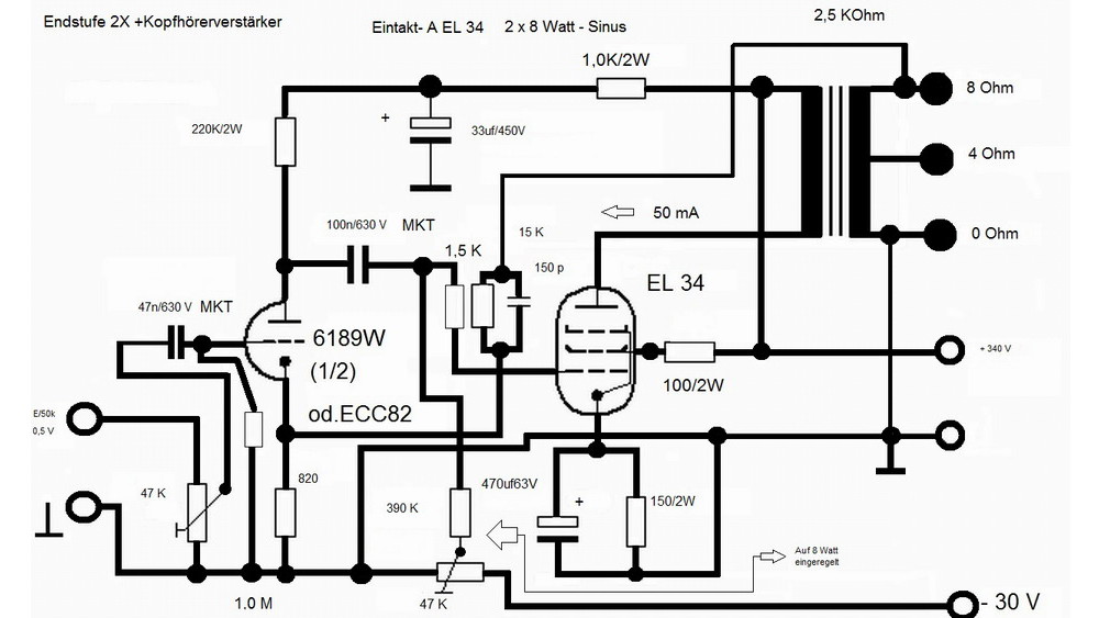
Abhörverstärker: Stereoendstufe 2 X 8 Watt/Sinus Eintakt A mit El 34 und Kopfhörerumschaltung


Chassis RVV-EQ
RVV-EQ Modul 1 unten
RVV-EQ Modul 1 oben

Chassis RVV-EQ

RVV-EQ Modul 1 unten
RVV-EQ Modul 1 oben
RVV-EQ Modul 2
RVV-EQ Modul 2 Erprobung
RVV EQ Modul 1

RVV-EQ Modul 2

RVV-EQ Modul 2 Erprobung
RVV EQ Modul 1
RVV-EQ Modul 1
RVV-EQ Modul rechter Kanal
LP1 Bestückungsplan rechter Kanal

RVV-EQ Modul 1

RVV-EQ Modul rechter Kanal
LP1 Bestückungsplan rechter Kanal
RVV-EQ Modul 1 Erprobung
RVV-EQ Modul linker Kanal
RVV-EQ 10 x 6N1P

RVV-EQ Modul 1 Erprobung

RVV-EQ Modul linker Kanal
RVV-EQ 10 x 6N1P
Hauptplatine Schaltungsentwurf
RVV-EQ Bestückung
RVV-EQ Bestückung
LP 2 Ansteuerung EL 34

Hauptplatine Schaltungsentwurf

RVV-EQ Bestückung
LP 2 Ansteuerung EL 34
RVV-EQ Netzteilplatine
Eintakt A Verstärker EL34
Röhrenheizung RVV-EQ 10 x 6N1P

RVV-EQ Netzteilplatine

Eintakt A Verstärker EL34
Röhrenheizung RVV-EQ 10 x 6N1P
Heizung EL34 - Jan 6189 - 5751
Frequenz-Display
Frequenz-Display

Heizung EL34 - Jan 6189 - 5751

Frequenz-Display
Frequenz-Display
RVV-EQ  Frequenz Display Baugruppe
RVV-EQ Frontansicht
RVV-EQ von oben

RVV-EQ Frequenz Display Baugruppe

RVV-EQ Frontansicht
RVV-EQ von oben
RVV-EQ von oben
RVV-EQ von unten
RVV-EQ von unten

RVV-EQ von oben

RVV-EQ von unten
RVV-EQ von unten
RVV-EQ Trafohauben
RVV-EQ Rückansicht
RVV50 - RVV-EQ

RVV-EQ Trafohauben

RVV-EQ Rückansicht
RVV50 - RVV-EQ
Edelstahl-Frontblende RVV-EQ
Chassis unbehandelt
Chassis unbehandelt

Edelstahl-Frontblende RVV-EQ

Chassis unbehandelt
Chassis unbehandelt
Edelstahl-Frontblende RVV-EQ
Chassis unbehandelt
Chassis unbehandelt

Klirr bei 1kHz

Frequenzgang alle Regler mittig
Frequenzgang Regler mittig, Bass + Treble max

Der Eingang des EQ wird mit 100 K Ohm / 0,07 V beschalten und Ausgangsseitig mit 50 K Ohm / 1,6 V max. Der Eingang ist im Originalschaltplan mit 2,2 M Ohm sehr hochohmig und somit sehr empfindlich. Eine Vorstufenröhre Jan 5751 senkt den Eingangswiderstand des EQ und passt den Eingang auf 100 K Ohm an und über Vorregler wird der Pegel angepasst und angehoben. Es kann sein das manche Geräte die nötigen Pegel nicht liefern.

Was die Funktion des gesamten Gerätes anbetrifft, so bin ich voll zufrieden! Sehr gute mechanische Schirmung sind hierbei von Nutzen und auch die zentralen Massepunkte! Keinerlei Fremdspannungen, oder sonstiges "Gebrumme" sind zu hören, auch im Oszì muss man weit unter 10 mV schalten um irgendwas zu sehen, eben nur einen Strich. Die Entwicklungsarbeit von fast 2 Jahren hat sich ausgezahlt und wird mit Glasklarem Röhrensound belohnt. Ein schönes Objekt und mit dem RVV 50 zusammen ein gelungenes Röhren Verstärker Konzept!

Ein Gehäuse des Telefunken V-660 Abmessungen (BHT) 370 x 140 x 300 mm / 14.6 x 5.5 x 11.8 inch mit seiner Modulbauweise und solider Stahlblechausführung, diente hierbei wieder bestens zum Aufbau eines Röhren-EQ. Das Chassis erlaubt eine Komplette Zerlegung und Neulackierung. Dieses Gehäuse hat beim Bau des "RVV 50" gute Dienste geleistet und somit sind die beiden in den Abmessungen absolut indentisch. Die Form entspricht den typischen HIFI Komponenten und kann übereinander oder nebeneinander gestellt werden und passt in jede Schrankwand oder Sideboard bestens hinein.