| |
|
|

|
Mit dem "M-RPG" können Röhren wie EL 34, EL 84, die ECC 82, ECC83, EM 80 und EM 84 geprüft werden. Dies sind die Röhren, welche ich in meinen Vorgänger-Projekten eingesetzt habe. Der Grund zum Bau des Röhrenprüfgerätes war, dass etliche neue Röhren nach wenigen Betriebsstunden bis nahezu 50% ihre Leistung verloren hatten. Um die Funktion bei einer Wartung der Verstärker zu testen, hab ich mich entschlossen diesen Aufwand zu betreiben. Hatte auch schon länger vor, dieses Projekt zu realisieren. Im Aufbau der Schaltung habe ich mich an den Datenblättern dieser Röhren gehalten, die ausschließlich 250 Volt zum Messen benötigen. Auch die exakten Gittervorspannungen dieser Röhren lt. Daten-Blatt sind eingehalten. Nur so kann eine genaue, und ehrliche Leistungsermittlung erfolgen. Röhrenprüfgeräte die professionell aufgebaut sind, verfügen über mehr Messmöglichkeiten, bzw. können etliche Röhren mehr prüfen. Das war aber nicht mein Anliegen. Natürlich ist das hier vorgestellte Projekt nur ein "Abklatsch" der sonst industriell produzierten Geräte. Wie gesagt, seinen speziellen Ansprüchen soll es genügen, jedenfalls für meine Prüfzwecke. Meine entworfene Schaltung ist beliebig erweiterbar. Aus Platzgründen musste ich mich einschränken. Mein Anliegen war, dass so einfach wie möglich, eine Prüfung dieser Röhren machbar ist, auch für den Laien. System wählen, ein stöpseln und Messwerte ablesen, danach noch auf Knopfdruck verschiedene Funktionen testen - Fertig!
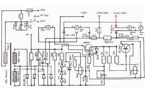
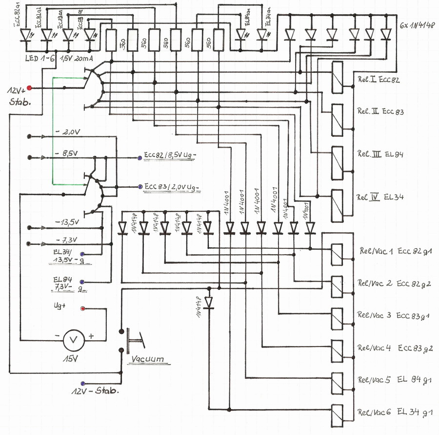
Die Funktion meines Röhren-Prüfers ist einfach. Mit dem Drehschalter (System) wird das jeweilige System bzw. Röhre eingestellt. Die ECC82 und ECC38 verfügen über zwei Systeme, welche separat gemessen werden (a1-a2), das ist notwendig, weil beide Trioden sehr unterschiedlich ausfallen können. Die EM80 / EM84 bekommen lediglich ihre 250 Volt Leuchtschirm-Spannung, um direkt gemessen zu werden. Nach einstellen des System-Drehschalters, wird die Röhre entsprechend am bezeichnetem Sockel ein gestöpselt. Danach bekommt der Heizfaden eine Spannung von 3,15 Volt, dabei wird dieser schon vor geglüht. Durch betätigen des "Start-Schalters" schaltet ein Relais die Heizfadenspannung auf 6,3 Volt um. Danach wird das Röhren-System langsam hochfahren. Über Widerstände (Anoden-Last-Widerstände) fange ich den Spannungsabfall ab, und leite ihn über Vorwiderstände, und präzisen Spindeltrimmern zum 1mA Instrument. Ein einstellbarer Last-Regler (zum Abgleich) dient dazu, das 1mA (100% Skala) abzugleichen. Zum Beispiel die EL 84, an der Anode wird der Last-Regler angeschlossen. Dabei muss die EL84 gezogen sein! An der gezogenen Kurzschluss-Brücke wird ein mA Instrument angeschlossen, und ein exakter Strom von 48mA eingestellt. Danach wird der entsprechende Spindeltrimmer auf exakt auf 100% abgeglichen. Bei den anderen Röhren entsprechend genau so verfahren. Beim Abgleich vorher alle Spindeltrimmer, auf Mitten-Stellung bringen! Die Kalibrierung der gesamten Röhren, besser 3 mal durchführen. Weitere Funktionen zur Prüfung der Röhren-Systeme sind: Vakuum, Systemschluss und Steilheit. Beim Prüfen des Systemschluss, muss darauf geachtet werden, dass eine Masse (-250 Volt) dauerhaft am Sockel ff-Heizung angeschlossen ist. Beim öffnen der Kathoden gegen Masse, muss das mA-Instrument schlagartig abfallen. Sollte das nicht so sein, dann liegt ein Kurzschluss im System der Röhre vor (zb. Kathode-Heizung) Die Anoden der ECC83 werden direkt über das 1mA Instrument geleitet (Anoden-Strom 1,2mA) Beim Betrieb dieser Schaltung, darf immer nur eine Röhre im entsprechenden Sockel stecken! Wenn das alles beachtet wird, funktioniert dieser Aufbau einwandfrei.
|
|
|
|

|

|

|
Aufbau 1
|
Aufbau 2 |
|

|

|

|
Innenaufbau
|
Front |
|

|

|

|
M-EL34
|
EL84 |
|

|

|

|
Aufbau-NT
|
neu |
|

|

|

|
250 Volt Netzteil
|
Niederspannung NT |
|

|

|

|
Ansteuerung
|
Röhren A1 GII |
|

|

|

|
100% Abgleich
|
Ersatzlast-Regler |
|

|

|

|
Front Röhrensockel-Verdrahtung
|
Innenaufbau |
|
|
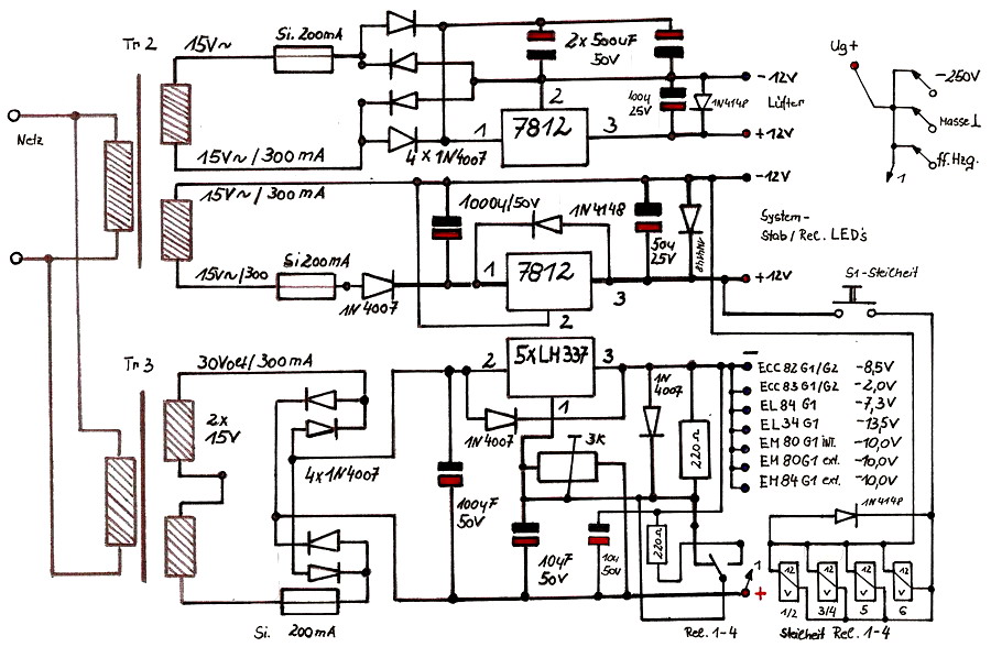
Es gibt diverse Netzteilschaltungen (Mosfet-Längsregelung), aber diese sind entweder zu instabil, schwingen im UKW Bereich, oder verhalten sich mit zu großer Verlust-Leistung am Transistor selbst, im Thermischen Grenzbereich. Anfangs wollte ich eine EZ 81 als Gleichrichtung, wegen des langsamen Hochfahrens der Anodenspannung einsetzen. Davon musste ich zum Schluss abkommen. Die EZ 81 macht ihre 150 mA, aber der Spannungsverlust ist enorm (20 Volt) und mehr. Bei 2 x 260 Volt/120 mA sackt diese regelrecht ab. Also musste ich eine Graetzbrücke anwenden. Diese hat einen Spannungsverlust unter 2 Volt. Es gibt Schaltungen, die 2 Netzteile im Längsbetrieb, für Anode bzw. Gitter 2 haben. Das ist aber nicht erforderlich, denn nach Daten zb. EL 84 /EL 34 müssen Anode und Gitter 2 die selbe Spannung von 250 Volt aufweisen. Wichtig war auch beim funktionieren des Netzteils, das beide Spannungen nicht unter 250 V absinken. Ein Netzteil genügt ! Das Gitter 2 kann mit einem Widerstand von 100 Ohm entkoppelt werden. Wie gesagt: wichtig ist, das Netzteil muss über 250 Volt (255 Volt bei 1 mA bzw. 100 mA/ 250 Volt) stabil bleiben. Was darunter ist, muss dann als Messwertfehler angesehen werden. Das konnte ich durch experimentelle Versuche feststellen. Also besser, den Spannungsregler etwas höher einstellen, (ca. 256 Volt.) Diese Spannung hat keinerlei Einfluss, auf den Strom der Röhren. Jedenfalls keinen erheblichen Einfluss derer. Was noch eventuell von Bedeutung ist, die Widerstände im Leistungs-Bereich, sollten 2 Watt nicht unterschreiten. Ein normaler Kühlkörper mit Rippen, soll es sein. Davor zwei kleine Lüfter, die dauerhaft den Kühlkörper belüften, (auch die 3 Z-Dioden/250 Volt) die können auch sehr heiß werden. Die nun frei gewordene Röhrenfassung, der EZ81 nimmt nun die EM80 ein. Diese nutze ich zur Gitter 2 Bereitschaft. Was das Netzteil für 250 Volt anbetrifft, so arbeitet dieses stabil, und hat sich nun schon einige Zeit bewährt. Im Prinzip ist diese Variante des Schaltungsaufbaus für diese Zwecke schon geeignet. Aber um eine genaue Stabilität zu erreichen, müssten schon andere Schaltungen her, richtig stabil bekommt man das so nicht hin. Differenzen von 5 Volt sind noch hinnehmbar.
Bis auf drei Drähte, die abgelötet werden, kann das komplette Röhrenprüfgerät zerlegt werden. Das ist im Falle einer Reparatur notwendig. Durch die Modulbauweise kann eine ordentliche Reparatur sichergestellt werden. Wodurch diese erleichtert wird bzw. ein Zusammenbau, ohne das sich Fehler einschleichen erleichtert wird. Durch die Anwendung der Raster Leiterplatten, konnte ich alles unterbringen, wieder beiseite räumen und neu anfangen. Am Ende war der Platz mit allen Bauteilen belegt. Professionelle Leiterplatten Herstellung ist aufwendig und in diesem Fall ungeeignet, aus Platzgründen. Beim Löten auf diesen Rasterleiterplatten, muss unbedingt darauf geachtet werden, dass sich keinerlei Kurzschlüsse einschleichen. Eine ruhige Hand und gute Augen sind da sehr hilfreich. Das gesamte Projekt arbeitet tadellos und zu meiner vollsten Zufriedenheit, schon eine längere Zeit. Somit wieder ein Projekt erfolgreich zu Ende gebracht und eine Röhrenprüfung leicht gemacht.
|
|
|
|
|
 |
|
|